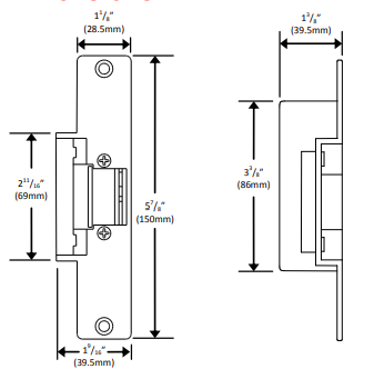
La cerradura eléctrica de SECO-LARM se puede utilizar para convertir los conjuntos de bloque cilíndricos en un sistema de cierre con control de acceso electrónico.
Características
Sistema de cierre que se puede conbinar con un control de acceso electrónico
Compatible con cualquier sistema de cerradura cilíndrica para puerta.
Compatible con teclados numéricos de SECO-LARM como modelos SK-1011-SDQ ú otros.
Fail safe: Cuando hay una perdida de corriente, la chapa se libera; y cuando hay corriente la puerta se mantiene cerrada.