Descripción

Estación manual, una acción, roja FMM-100SATK
La familia FMM‑100 consta de estaciones manuales de alarma de incendio metálicas, versátiles y de alta calidad. Hay modelos de una acción o doble acción. Todos los modelos cuentan con una cerradura con llave y contienen contactos chapados en oro para resistir la corrosión.
Funciones básica
Funcionamiento de una sola acción Al tirar de la barra de la parte delantera de la estación manual, se bloquea abierta y es visible fácilmente a una distancia de 15 m (50 pies). Restablezca la barra de activación abriendo la estación manual con la llave y colocando la barra de activación en su posición vertical normal. Hay disponible una varilla de interrupción acrílica ranurada opcional.
Funcionamiento de doble acción
Con la configuración de doble acción, la barra superior de la parte frontal de la estación manual gira hacia dentro, de modo que permite agarrar la barra de activación y accionarla con una sola mano.
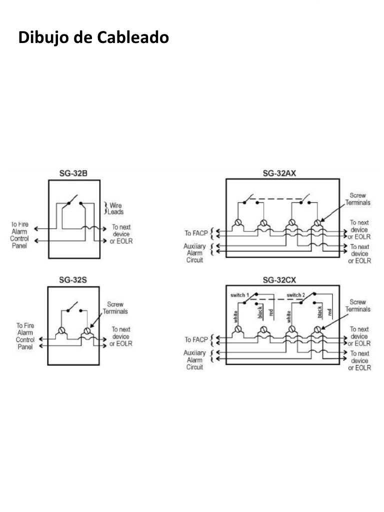
Notas de configuración/instalación
Información sobre compatibilidad
Estas estaciones manuales son compatibles con todos los paneles de control de alarma de incendio de Bosch Building Technologies.
Consideraciones para el montaje
Estas estaciones manuales se pueden montar en superficie sobre la caja posterior para montaje superficial FMM‑100BB‑R o la caja posterior a prueba de intemperie FMM‑100WPBB‑R. También se pueden montar empotradas a ras sobre una caja trasera estándar de una sola entrada.
Para cumplir con las normas de ADA; la estación manual debe estar a menos de 1,2 m (48") por encima del suelo para poder acceder a ella desde sillas de ruedas frontalmente y a menos de 1,3 m (54") por encima del suelo para acceder a ella desde sillas de ruedas lateralmente.
Nota: FMM-100SATK Estación manual, una acción, roja
Estación manual de alarma de incendio metálica de una acción, versátil y de alta calidad con cerradura con llave y contactos chapados con oro.
Numero de pedido: FMM-100SATK .
Principales características
- Acción simple o dual .
- Terminales de conexión.
- Contactos de alarma chapadas en oro para ofrecer resistencia frente a la corrosión.
- Montaje superficial o cajas traseras a prueba de intemperie.
Especificaciones
Eléctricas
- Valores nominales de conmutación 1 A a 30 VCC o 125 VCA.
Ambientales
- Humedad relativa 90 % a +38 °C (+100 °F).
- Temperatura (funcionamiento): De +40 °F a +150 °F (-40 °C a +66 °C).
Mecánica
- Color: Rojo.
- Dimensiones (Al. x An. x Pr.): 12 cm x 8,3 cm x 2,8 cm (4,75" x 3,25" x 1,1").
- Material: Metal fundido.
Documentos
Comentarios
Sé el primero en opinar sobre este artículo
No hay comentarios aún